Linjator

Reläplint LSA/slits 4x1 10–30V

Art.nr. 50004703

Lev.art.nr. 213401


Produktinformation

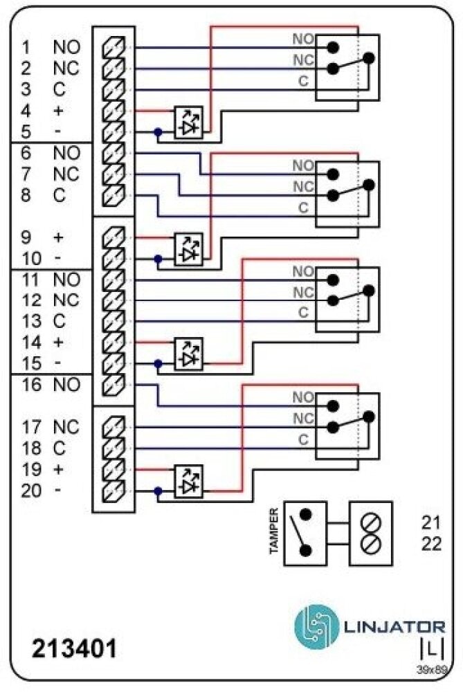
Reläkort/Reläplint med fyra separata reläfunktioner och sabotageskydd.
Anslutning sker via LSA/Slits-plint. Varje relä har en växlande kontakt och styrs separat med 10–30 VDC. Kortet är försett med sabotageskydd (brytande) på egen utgång.

Montering: direkt i Linjators kapslingar med L-fäste, på DIN-skena (art. 163412), på S2-/Krone-fäste (art. 163401) eller direkt på plant underlag (art. 163400).

Specifikationer

Art.nr. 50004703
Lev.art.nr. 213401
Varumärke Linjator
EAN kod 07350150070467
Garantitid (mån) 12
E-nummer 5010469
Rabattklass 10511 - Linjator AB
Lämna feedback om produkten