Produktinformation
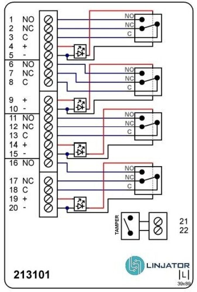
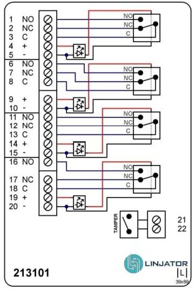
Reläkort/Reläplint med fyra separata reläfunktioner, vardera med en växlande kontakt. Anslutning via skruvplint upp till 1 mm² med trådskydd av hisstyp. Reläerna styrs separat med 10–30 VDC (passar både 12 V och 24 V system). Försedd med sabotageskydd (brytande) på egen utgång.
Montering: direkt i Linjators kapslingar med L-fäste, på DIN-skena (art. 163412), på S2-/Krone-fäste (art. 163401) eller direkt på plant underlag (art. 163400).
Montering: direkt i Linjators kapslingar med L-fäste, på DIN-skena (art. 163412), på S2-/Krone-fäste (art. 163401) eller direkt på plant underlag (art. 163400).
Specifikationer
| Art.nr. | 50004639 |
| Lev.art.nr. | 213101 |
| Varumärke | Linjator |
| E-nummer | 5010468 |
| Garantitid (mån) | 24 |
| Djup (mm) | 188.0 |
| Höjd art (mm) | 23.0 |
| Bredd art (mm) | 108.0 |
| E-nummer | 5010468 |
| Rabattklass | 10511 - Linjator AB |
| Lämna feedback om produkten | |