Produktinformation
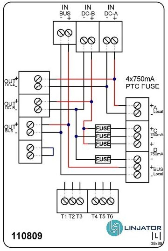
Distributionsplint för fördelning och avsäkring av spänning (PTC 750 mA) samt fördelning av kommunikation och termineringspunkter. Används för strömfördelning, kommunikation och avsäkring. Inkommande via skruvplint 2,5 mm², utgående 1,5 mm², båda med trådskydd. Även kallad bussplint eller kommunikationsplint.
Montering: Direkt i Linjators kapslingar med L-fäste, på DIN-skena (art. 5010347), på S2-/Krone-fäste (art. 5010088) eller direkt på plant underlag (art. 5010087).
Montering: Direkt i Linjators kapslingar med L-fäste, på DIN-skena (art. 5010347), på S2-/Krone-fäste (art. 5010088) eller direkt på plant underlag (art. 5010087).
Specifikationer
| Art.nr. | 50004707 |
| Lev.art.nr. | 110809 |
| Varumärke | Linjator |
| EAN kod | 07350150070457 |
| Garantitid (mån) | 12 |
| Rabattklass | 10511 - Linjator AB |
| Lämna feedback om produkten | |